工控机气体增设备介绍,多用气密性测试或者气压测试试验
1、试验台适用于阀门、压力容器及空调盘管等的气压及气密封测试。
2、试验台液压、气压连接可靠,无泄漏;电气连接可靠,无接触不良。
3、试验台主要零部件应采用优质材料制造,所选的机械、液压、电气、电子元件都是先进的、优质的、可靠的名优产品,且应是在市场上易于采购的标准系列产品。
4、菲恩特气密性检测设备结构设计合理,采用先进成熟技术,保证系统具有良好的品质,连续工作稳定可靠,设备使用、操作、维护方便,造型美观,售后服务优良。

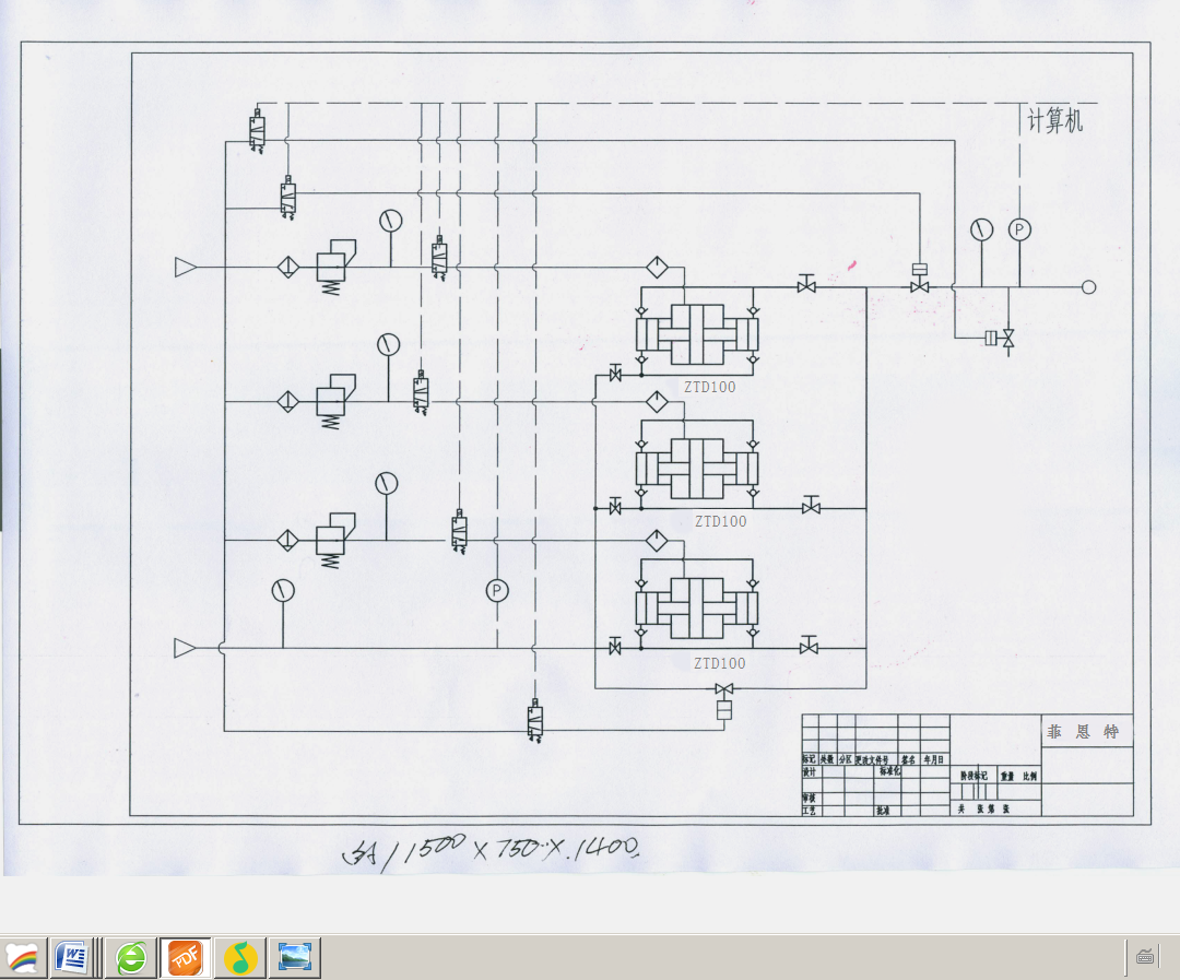
二、主要功能与技术参数
主要功能
1、输出压力最高等级:80MPa(输出压力可以切换)输出压力范围等级与所选用气体增压泵有关,详见ZTA/ZTD/ZTT参数
2、试验介质:空气、惰性无腐蚀性气体。
3、驱动方式:气驱。
4、压力传感器精度:至少应精确到满量程的±0.25%。
5、压力表:应使试验压力在其满量程的20%-80%之间。
6、具有计算机控制功能,可以自由设定试验压力、增压时间、保压时间,可以任意设定单段或者多段保压测试。
7、能实时显示试验数据和曲线参数、能自动保存试验结果、能打印试验报表(计算机控制)。
8、具备防护设施,能有效避免可能的泄漏造成的操作人员和设备损害。
9、操作面板按/旋钮操作应符合人体工学。
10、设备安装有脚轮和适于吊装的装置,移动方便。
三、气密性试验台检测页面

